по запросу
Промышленный джойстик серии LT86 применяется на кранах, погрузчиках, экскаваторах и т.д
Подробнее
Особенности Джойстика
• Промышленный джойстик для тяжелых условий эксплуатации.• Управление по одной оси или по двум осям.
• Управление в поперечном направлении или произвольном направлении
• Длительный срок службы датчика угла Холла.
• Опционально выход CAN J1939
Техническая информация
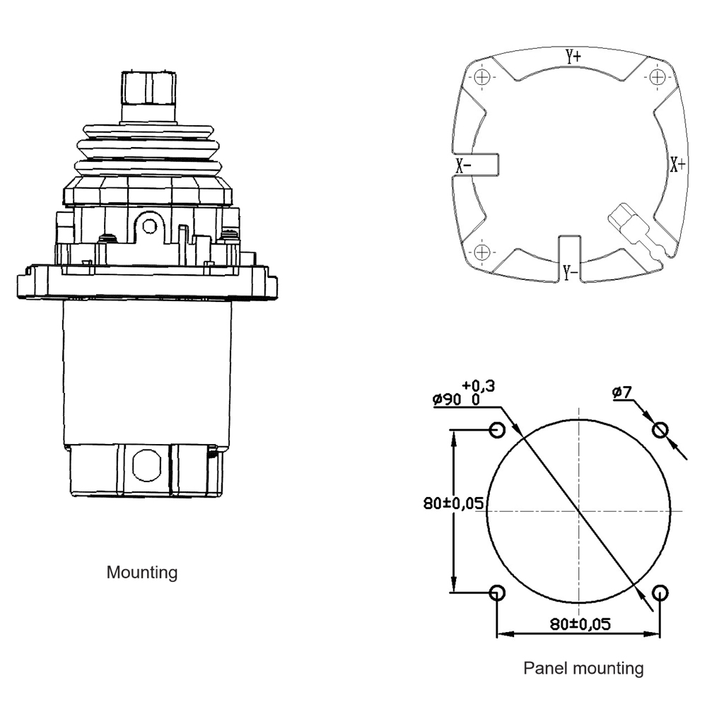
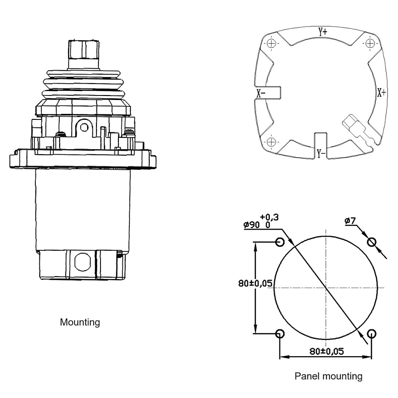
Механические характеристики
Угол наклона ±23° ±18° (лево право)
Рабочий сопротивление 4 Н
Механический допуск ±0,5°
Рабочая температура -30℃~+80℃
Степень защиты IP65
Количество циклов >2 миллионов циклов (эффект Холла)
Электрические параметры
Датчик Холла5Vdc напряжение питания
0.5~2.5~4.5Vdc выходное напряжение
0V~2.5~5Vdc выходное напряжение
1.25~2.5~3.75Vdc выходное напряжение
CAN BUS
9-36Vdc напряжение питания
J1939 Can 2.0B, адрес 33
J1939 Can 2.0B, адрес 34
